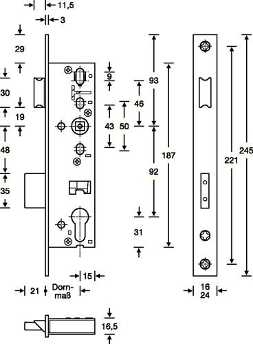
Panik-RR-Einsteckschl.B DIN li.einwärts 24/245/30/92/9mm Kl 3 ktg.SSF

[Zuerst anmelden um den Preis zu sehen]
Lieferzeit: 1-2 Tage
Hersteller nach GPSR: Sächsische Schlossfabrik GmbH, Am Pappelhain 10, 4539 Groitzsch Deutschland, info@ssf.de
11873523
70001-3324024324
Umschaltfunktion B · für einflügelige Rahmentüren · Ausführung APB (von außen wahlweise dauerhaft begehbar oder verschlossen) Schlosskasten aus Stahl oben und unten geschlossen · durchgehende Beschlagbohrung oberhalb der Schlossnuss · Späneschutzhülsen · 1-tourig mit stabilem Riegel · Riegelausschluss 21 mm · DIN links und rechts einwärts/auswärts beachten · vorgerichtet für Profilzylinder · Entfernung 92 mm · 9 mm geteilte Schlossnuss · Falle mit Geräuschdämpfung · Riegel vernickelt · Edelstahl-Stulp auf Mitte · Stulplänge 245 mm · käntig · Hinterdornmaß 15 mm · Klassifizierungsschlüssel nach EN 12 209 vorhanden · geprüft und zertifiziert nach DIN 1125 und EN 179 gem. Konformitätszeugnis

Lieferanten-Informationen

Power & Handel Vertriebs-GmbH

Sven Berndt

+49 (0) 9831 880 997 10

DHL / Spedition

Individuelles Versandlabel

Lieferung an Packstation

Retouren erlaubt

MwSt wird ausgewiesen

Großhändler

Hersteller

Eigenmarke /exclusiv Vertrieb

Einschränkungen

Derzeit sind keine Einschränkungen vorhanden.
Damit Sie unsere Webseite optimal nutzen können, verwenden wir Cookies. Weitere Informationen zu Cookies erhalten Sie unserer Datenschutzbestimmungen. OK